三菱S6R2-PTA柴油發動機保養件清單
序號 零件名稱 零件號碼 數量 數量
1 全流式三菱S6R機油濾清器濾芯 37540-11100 2 2
2 旁通式三菱S6R機油濾清器濾芯 37540-02100 1 1
3 三菱S6R燃油濾清器濾芯 32562-60300 2 2
4 三菱S6R空氣濾清器濾芯 47220-39802 2 2
三菱S6R2-PTA柴油發動機保養件清單

|
序號 |
零件名稱 |
零件號碼 |
數量 |
數量 |
|
1 |
全流式三菱S6R機油濾清器濾芯 |
37540-11100 |
2 |
2 |
|
2 |
旁通式三菱S6R機油濾清器濾芯 |
37540-02100 |
1 |
1 |
|
3 |
三菱S6R燃油濾清器濾芯 |
32562-60300 |
2 |
2 |
|
4 |
三菱S6R空氣濾清器濾芯 |
47220-39802 |
2 |
2 |

三菱S6R發動機潤滑油系統的拆卸,檢測(1)
拆卸順序
1 潤滑油管
2 潤滑油管
3 潤滑油管
4 潤滑油管
5 注油口
6 呼吸器
7 呼吸器芯
1.2 潤滑油系統的拆卸,檢測(2)

三菱S6R發動機燃油控制連桿的拆卸,檢測
拆卸順序
1三菱S6R發動機連桿
2 調速器柄
3 連桿
4 停止柄
5 桿

三菱S6R發動機燃油控制連桿的拆卸,檢測
拆卸順序
1 連桿
2 調速器柄
3 連桿
4 停止柄

三菱S6R發動機燃油控制連桿的拆卸,檢測
拆卸順序
1 連桿
2 調速器柄
3 連桿
4 停止柄
5 桿
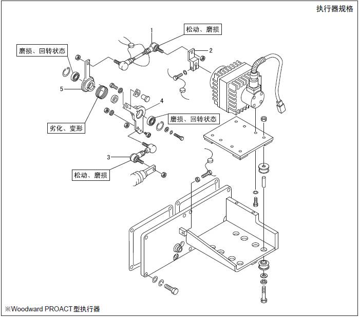
1.5 調速器、執行器的拆卸,檢修

三菱S6R發動機調速器、執行器 的拆卸,檢修
拆卸順序
1 調速器、執行
2 座

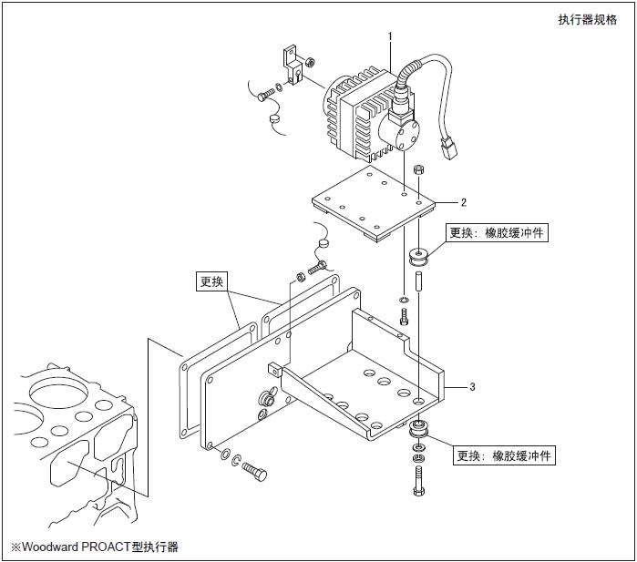
三菱S6R發動機執行器 的拆卸,檢修
拆卸順序
1 三菱S6R發動機執行器
2 板
3三菱S6R發動機執行器座架
1.6 三菱S6R發動機燃油噴油泵的拆卸,檢測