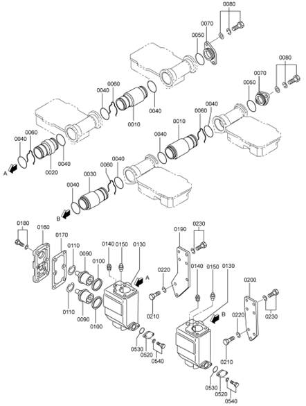
三菱12R發動機機冷卻系統自動調溫器

|
參考號 |
零件編號名稱和描述 |
|
0010 37746 |
01102 接頭 10 |
|
0020 37746 |
01200 接頭右側 1 |
|
0030 37746 |
01300 接頭左側 1 |
|
0040 05505 |
31065 三菱12R發動機O型圈 24 |
|
0050 05505 |
57060 三菱12R發動機O型圈 2 |
|
0060 37546 |
11300 擋圈 12 |
|
0070 37546 |
21201 蓋板 2 |
|
0080 F1825 |
10030 組合螺栓裝配螺栓 4 |
|
0090 37546 |
21701 三菱12R發動機機節溫器(71) 4 |
|
0100 37546 |
01800 三菱12R發動機機節溫器密封墊 4 |
|
0110 37546 |
00900 擋圈 4 |
|
0130 37546 |
23702 三菱12R發動機機節溫器座 2 |
|
0140 F5006 |
10000 內六角錐螺塞 2 |
|
0150 36646 |
00090 微動閥總成 2 |
|
0160 37546 |
17100 三菱12R發動機機節溫器蓋板 2 |
|
0170 37546 |
23300 三菱12R發動機機節溫器蓋板墊片 2 |
|
0180 F1805 |
10030 組合螺栓裝配螺栓 12 |
|
0190 37746 |
13401 三菱12R發動機機節溫器支架(右) 右側 1 |
|
0200 37746 |
13501 三菱12R發動機機節溫器支架(左) 左側 1 |
|
0210 F1035 |
16040 螺栓 6 |
37725-06100 255 45 0020
37725-10900 250 37 0460
37725-12103 200 29 0010006
37725-14102 680 141 0350
37725-15700 253 43 0100
37725-20600 250 37 0380
37725-20600 940-01 153 0100046
37725-22302 250 37 0350
37725-27200 251 41 0030
37725-27200 251 41 0032
37725-30200 250 37 0050
37725-30200 940-01 153 0100047
37725-40400 250 37 0070
37725-40400 940-01 153 0100048
37725-40500 250 37 0360
37725-45300 253 43 0090
37725-90300 250 37 0060