珀金斯Perkins 4012柴油發動機發電機12 SE483A
項次 零配件編號 最近的零配件編號 描述
1 12 SE483A 1 12 SE483A
6 12 SE483B 1 12 SE483B
11 SEV483/6 2 SEV483/6 殼
12 278/390 2 278/390 墊片
13 554/118 2 554/118 密封O型圈
14 310070 2 310070 螺拴
15 318210 2 318210 彈簧墊片
16 30/812 2 30/812 固定螺釘
17 317009 2 317009 螺帽
18 312063 2 312063 固定螺釘
19 318210 2 318210 彈簧墊片
20 SEV483A/4 2 SEV483A/4 桿
21 312042 2 312042 固定螺釘
22 317009 2 317009 螺帽
23 314031 12 314031 CAPSCREW
24 374/1285 12 374/1285 間隔器
25 319/137 12 319/137 松緊螺絲扣
26 319/138 12 319/138 螺帽
27 317008 12 317008 螺帽
28 296/30 12 296/30 球窩關節
29 312030 12 312030 固定螺釘
29 126/13 12 126/13 固定螺釘
30 317408 12 317408 螺帽
30 526/27 12 317408 螺帽
31 SEV483C/1 12 操縱桿
32 312029 24 312029 固定螺釘
32 010295 24 312029 螺絲
33 317408 12 317408 螺帽
33 526/27 12 317408 螺帽
34 312063 12 312063 固定螺釘
35 318210 12 318210 彈簧墊片
36 296/37 12 296/37 球窩關節
37 2303/016 2 2303/016 SPIROL 銷
Item Parts No. Qty. Latest Part No. Description Cut Out Cut In Comment
2 12SE483/1 1 12SE483/1 SHAFT
3 SEV108 3 SEV108 BRACKET
4 SEV483B/4 6 SEV483B/4 LEVER
5 2303/024 8 2303/024 SPIROL PIN
Item Parts No. Qty. Latest Part No. Description Cut Out Cut In Comment
7 12SE483/1 1 12SE483/1 SHAFT
8 SEV108 3 SEV108 BRACKET
9 SEV483B/4 6 SEV483B/4 LEVER
10 2303/024 7 2303/024 SPIROL PIN

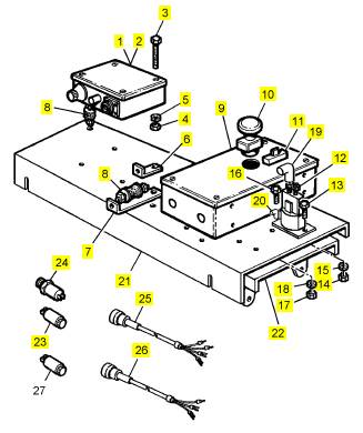
珀金斯Perkins 4012柴油發動機發電機
項次 零配件編號 最近的零配件編號 描述
1 680/84 1 680/84 調速器控制箱
2 39/54 2 39/54 標簽
3 314047 4 314047 固定螺釘
4 317009 4 317009 螺帽
5 318208 4 318208 彈簧墊片
6 664/1862 1 664/1862 托架
7 664/1861 1 664/1861 托架
8 743/122 6 743/122 架設
9 777/28 1 777/28 終點
10 703/41 1 703/41 停止開關
11 703 A/41 1 703 A/41 接觸
11 703 B/41 1 703 B/41 接觸
12 589/86 2 589/93 電磁停機閥
13 312038 4 312038 螺絲
14 317009 4 317009 螺帽
15 318208 4 318208 彈簧墊片
16 312038 4 312038 螺絲
17 317009 4 317009 螺帽
18 318208 4 318208 彈簧墊片
19 4 蓋
20 4 蓋
21 664/1860 1 664/1860 板
22 664/1859 1 664/1859 板
23 680/59 1 680/59 電壓計
24 680/124 1 680/124 轉速傳感器
25 680/89 1 680/89 纜
26 680/90 1 680/90 纜

溫馨提示
我司建立了一套完整的英國Perkins零配件供應體系,全天候快速響應,純正的Perkins配件是您最佳的選擇,因為您所得到的是延長Perkins動力系統壽命的最佳保證。
網頁中公布的Perkins發動機配件號與圖片僅為參考,因 Perkins動力系統零配件型號與技術參數太多,沒能全部展示,如有配件與維修技術資料方面的需求,請與本司的在線客服溝通與交流,希望我們能夠幫您節約更多等待備件時間和維修技術方面的困難。
特別聲明:我司只銷售Perkins原廠配件,需付廠或防品件請繞道,謝謝。