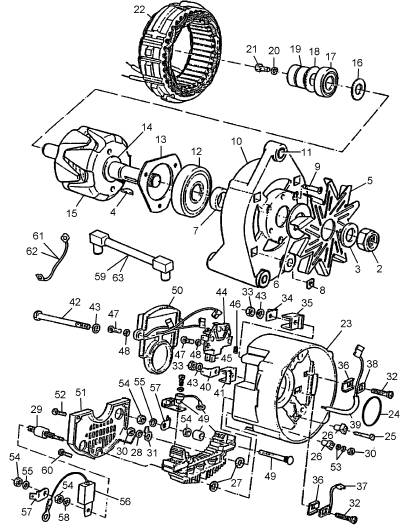
珀金斯勞斯萊斯3012柴油機CV70291充電發電機
序號 零配件號 最近的零配件號 描述
1 OD20798 1 CV70291 充電發電機

序號 零配件號 最近的零配件號 描述
2 OD20441 1 OD20441 螺帽
3 OD21655 1 OD21655 墊圈
3 OD17226 1 OD21655 墊圈
4 OD17253 1 OD17253 鍵
5 OD19835 1 OD19835 風扇
6 OD19797 1 OD19797 墊圈
7 OD20543 1 OD20543 距離塊
8 OD20838 4 OD20838 螺帽
9 OD20839 3 OD20839 固定螺釘
10 OD20841 1 OD20841 殼
11 OD20840 1 OD20840 襯套
12 OD19798 1 OD19798 滾珠軸承
13 OD20842 1 OD20842 承件
14 OD20843 1 OD20843 距離塊
15 OD19800 1 OD19800R 轉子
(15) OD19800R 1 OD19800R 轉子
16 OD20844 1 OD20844 距離塊
17 OD19799 1 OD19799 滾珠軸承
18 OD20845 1 OD20845 轉向裝置
19 OD20846 1 OD20846 圈
20 OD20847 1 OD20847 墊圈
21 OD20848 1 OD20848 固定螺釘
22 OD19778 1 OD19778 固定子
23 OD20895 1 OD20895 殼
24 OD20849 1 OD20849 密封O型圈
25 OD20850 2 OD20850 固定螺釘
26 OD20851 2 OD20851 絕緣體
27 OD20852 2 OD20852 間隔器
28 OD20847 1 OD20847 墊圈
29 OD20854 2 OD20854 終點
30 OD20855 2 OD20855 螺帽
31 OD20856 1 OD20856 終點
32 OD20857 2 OD20857 終點
33 OD19784 2 OD19784 螺帽
34 OD20858 1 OD20858 終點
35 OD20859 1 OD20859 守衛
36 OD20860 2 OD20860 終點
37 OD20861 1 OD20861 纜
38 OD20862 1 OD20862 纜
39 OD20863 1 OD20863 鞘
40 OD20864 1 OD20864 終點
41 OD20866 1 OD20866 守衛
42 OD20867 4 OD20867 螺拴
43 OD19785 6 OD19785 墊圈
44 OD20868 1 OD20868 夾持工具
45 OD19442 2 OD19442 刷
46 OD20869 2 OD20869 彈簧
47 OD20870 4 OD20870 固定螺釘
48 OD20847 4 OD20847 墊圈
49 OD20871 1 OD20871 整流器
50 OD20896 1 OD20896 調整器
51 OD20872 1 OD20872 蓋
52 OD20873 2 OD20873 固定螺釘
53 OD20874 2 OD20874 墊圈
54 OD20875 4 OD20875 螺帽
55 OD20876 3 OD20876 墊圈
56 OD20877 1 OD20877 電容器
57 OD20878 2 OD20878 終點
58 OD20879 2 OD20879 墊圈
59 OD20880 1 OD20880 振動乘用馬
60 OD20881 1 OD20881 固定螺釘
61 OD20897 1 OD20897 纜
62 OD20898 1 OD20898 鞘
63 OD20899 1 OD20899 襯套
Item Parts No. Qty. Latest Part No. Description Cut Out Cut In Comment
2 OD20441 1 OD20441 NUT
3 OD17226 1 OD21655 WASHER
4 OD17253 1 OD17253 KEY
5 OD19835 1 OD19835 FAN
6 OD19797 1 OD19797 WASHER
7 OD20543 1 OD20543 DISTANCE PIECE
8 OD20838 4 OD20838 NUT
9 OD20839 3 OD20839 SCREW
10 OD20841 1 OD20841 HOUSING
11 OD20840 1 OD20840 BUSH
12 OD19798 1 OD19798 BALL BEARING
13 OD20842 1 OD20842 RETAINER
14 OD20843 1 OD20843 DISTANCE PIECE
15 OD19800 1 OD19800R ROTOR
(15) OD19800R 1 OD19800R ROTOR
16 OD20844 1 OD20844 DISTANCE PIECE
17 OD19799 1 OD19799 BALL BEARING
18 OD20845 1 OD20845 DEFLECTOR
19 OD20846 1 OD20846 RING
20 OD20847 1 OD20847 WASHER
21 OD20848 1 OD20848 SCREW
22 OD19778 1 OD19778 STATOR
23 OD20895 1 OD20895 HOUSING
24 OD20849 1 OD20849 SEAL - O RING
25 OD20850 2 OD20850 SCREW
26 OD20851 2 OD20851 INSULATOR
27 OD20852 2 OD20852 SPACER
28 OD20847 1 OD20847 WASHER
29 OD20854 2 OD20854 TERMINAL
30 OD20855 2 OD20855 NUT
31 OD20856 1 OD20856 TERMINAL
32 OD20857 2 OD20857 TERMINAL
33 OD19784 2 OD19784 NUT
34 OD20858 1 OD20858 TERMINAL
35 OD20859 1 OD20859 GUARD
36 OD20860 2 OD20860 TERMINAL
37 OD20861 1 OD20861 CABLE
38 OD20862 1 OD20862 CABLE
39 OD20863 1 OD20863 SHEATH
40 OD20864 1 OD20864 TERMINAL
41 OD20866 1 OD20866 GUARD
42 OD20867 4 OD20867 BOLT
43 OD19785 6 OD19785 WASHER
44 OD20868 1 OD20868 HOLDER
45 OD19442 2 OD19442 BRUSH
46 OD20869 2 OD20869 SPRING
47 OD20870 4 OD20870 SCREW
48 OD20847 4 OD20847 WASHER
49 OD20871 1 OD20871 RECTIFIER
50 OD20896 1 OD20896 REGULATOR
51 OD20872 1 OD20872 COVER
52 OD20873 2 OD20873 SCREW
53 OD20874 2 OD20874 WASHER
54 OD20875 4 OD20875 NUT
55 OD20876 3 OD20876 WASHER
56 OD20877 1 OD20877 CAPACITOR
57 OD20878 2 OD20878 TERMINAL
58 OD20879 2 OD20879 WASHER
59 OD20880 1 OD20880 VIBRATION MOUNT
60 OD20881 1 OD20881 SCREW
61 OD20897 1 OD20897 CABLE
62 OD20898 1 OD20898 SHEATH
63 OD20899 1 OD20899 BUSH
Item Parts No. Qty. Latest Part No. Description Cut Out Cut In Comment
2 28710439 1 28710439 REGULATOR
3 28710446 1 28710446 HOLDER
4 28710445 1 28710445 STATOR
5 28710442 1 28710442 ROTOR
6 28710437 1 28710437 RING
7 28710443 1 28710443 HOUSING
8 28710460 1 28710460 FAN
9 28710461 1 28710461 WASHER
10 OD19798 1 OD19798 BALL BEARING
11 OD17216 1 OD17216 BALL BEARING
12 28710462 1 28710462 HOUSING
Item Parts No. Qty. Latest Part No. Description Cut Out Cut In Comment
1 OE49891 1 OE49891 BELT KIT
2 CV8202 1 CV8202 1 GROOVE ALTERNATOR PULLEY
5 OE46748 1 OE46748 LINK
6 ST43502 1 ST43502 BOLT
7 2318A208 1 2318A208 NUT
8 2134A008 1 2134A008 WASHER
9 ST43507 1 ST43507 BOLT
10 2318A208 1 2318A208 NUT
11 2131A008 2 2131A008 WASHER
12 2134A008 1 2134A008 WASHER
16 CV5082 1 CV5082 BOLT
17 CV19491 1 CV19491 BRACKET
18 ST43568 2 ST43568 BOLT
20 2134A010 2 2134A010 WASHER
21 ST44467 1 ST44467 SETSCREW
22 2134A012 1 2134A012 WASHER
Item Parts No. Qty. Latest Part No. Description Cut Out Cut In Comment
2 28710439 1 28710439 REGULATOR
4 28710446 1 28710446 HOLDER
5 28710445 1 28710445 STATOR
6 28710442 1 28710442 ROTOR
7 28710437 1 28710437 RING
8 28710443 1 28710443 HOUSING
9 28710460 1 28710460 FAN
10 28710461 1 28710461 WASHER
11 OD19798 1 OD19798 BALL BEARING
12 OD17216 1 OD17216 BALL BEARING
13 28710462 1 28710462 HOUSING

溫馨提示
我司建立了一套完整的英國Perkins零配件供應體系,全天候快速響應,純正的Perkins配件是您最佳的選擇,因為您所得到的是延長Perkins動力系統壽命的最佳保證。
網頁中公布的Perkins發動機配件號與圖片僅為參考,因 Perkins動力系統零配件型號與技術參數太多,沒能全部展示,如有配件與維修技術資料方面的需求,請與本司的在線客服溝通與交流,希望我們能夠幫您節約更多等待備件時間和維修技術方面的困難。
特別聲明:我司只銷售Perkins原廠配件,需付廠或防品件請繞道,謝謝。