威爾遜Perkins發電機CV14573/2水泵
序號 零配件號 最近的零配件號 描述
ST46076 1 ST46076I 堵塞
ST49851 1 ST49851 墊圈
1 CV14573/2 1 CV14573/2 水泵
25 CV1243 1 CV20206 密封墊
26 CVK533 1 CVK533 水泵修理組件
27 CVK534 1 CVK534 水泵修理組件
Item Parts No. Qty. Latest Part No. Description Cut Out Cut In Comment
ST46076 1 ST46076I PLUG
ST49851 1 ST49851 WASHER
1 CV14573/2 1 CV14573/2 WATER PUMP
25 CV1243 1 CV20206 GASKET
26 CVK533 1 CVK533 REPAIR KIT - WATER PUMP
27 CVK534 1 CVK534 REPAIR KIT - WATER PUMP

序號 零配件號 最近的零配件號 描述
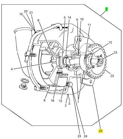
2 CV14576 1 CV14576 套
4 CV14309 1 CV20055 密封
5 CV14310 1 CV14310 計數器板
6 CV14574 1 CV14574 動葉輪
7 OE1376 2 OE1376 滾珠軸承
8 CV14575 1 CV14575 軸
9 CV1236 1 CV1236 間隔器
10 CV14053 1 CV14053 墊片
11 ST48993 1 2721351 CIRCLIP
12 CV2235 1 CV2235 螺帽
13 CV2234 1 CV2234 螺帽
14 CV1234 1 CV1234 密封
15 CV1233 1 CV1233 圓盤
16 ST10965 1 ST10965 密封O型圈
17 CV5515 1 CV5515 肘管
18 ST46955 1 ST46955 固定螺釘
19 ST43502 5 ST43502 螺拴
20 ST43160 5 2134 A008 墊圈
21 ST43056 5 2131 A008 墊圈
22 CV1227 1 CV1227 水泵傳動機構
23 ST46076 1 ST46076I 堵塞
24 ST49891 1 ST49891 墊圈
Item Parts No. Qty. Latest Part No. Description Cut Out Cut In Comment
2 CV14576 1 CV14576 CASING
4 CV14309 1 CV20055 SEAL
5 CV14310 1 CV14310 COUNTER PLATE
6 CV14574 1 CV14574 IMPELLER
7 OE1376 2 OE1376 BALL BEARING
8 CV14575 1 CV14575 SHAFT
9 CV1236 1 CV1236 SPACER
10 CV14053 1 CV14053 SHIM
11 ST48993 1 2721351 CIRCLIP
12 CV2235 1 CV2235 NUT
13 CV2234 1 CV2234 NUT
14 CV1234 1 CV1234 SEAL
15 CV1233 1 CV1233 DISC
16 ST10965 1 ST10965 SEAL - O RING
17 CV5515 1 CV5515 ELBOW
18 ST46955 1 ST46955 SCREW
19 ST43502 5 ST43502 BOLT
20 ST43160 5 2134A008 WASHER
21 ST43056 5 2131A008 WASHER
22 CV1227 1 CV1227 WATER PUMP GEAR
23 ST46076 1 ST46076I PLUG
24 ST49891 1 ST49891 WASHER

溫馨提示
我司建立了一套完整的英國Perkins零配件供應體系,全天候快速響應,純正的Perkins配件是您最佳的選擇,因為您所得到的是延長Perkins動力系統壽命的最佳保證。
網頁中公布的Perkins發動機配件號與圖片僅為參考,因 Perkins動力系統零配件型號與技術參數太多,沒能全部展示,如有配件與維修技術資料方面的需求,請與本司的在線客服溝通與交流,希望我們能夠幫您節約更多等待備件時間和維修技術方面的困難。
特別聲明:我司只銷售Perkins原廠配件,需付廠或防品件請繞道,謝謝。