威爾遜信柴油發電機組配件1830346 C95汽缸蓋、汽缸墊、氣門、導管、座圈1306-E87TA86
項目 零配件號碼 最近的部分號碼 描述
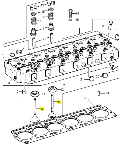
1 1830346 C95 1 1830346 C95 汽缸蓋組合
1 1830346 C92 1 1830346 C95 汽缸蓋組合
1 1830346 C92 1 1830346 C95 汽缸蓋組合
1 1830346 C94 1 1830346 C95 汽缸蓋組合
(1) 599992 C91R 1 1830346 C95 汽缸蓋裝備 -EXCH
22 1830189 C2 1 1830189 C2 密合墊 - 汽缸蓋
22 1830189 C1 1 1830189 C2 密合墊 - 汽缸蓋
23 2 合釘
24 1824954 C2 20 1824954 C3 螺拴
25 1814757 C2 20 1814757 C2 墊圈

項目 零配件號碼 最近的部分號碼 描述
2 1830345 C93 1 1830346 C95 汽缸蓋裝備
7 1824647 C1 12 1824647 C1 導管
8 1818778 C3 6 1818778 C3 套筒
9 445751 6 445751 栓塞
10 444612 1 444613 栓塞
11 1827121 C2 6 1827121 C2 氣門座氣門座圈
(11) 1830310 C2 6 1830310 C2 氣門座氣門座圈
(11) 1830311 C2 6 1830311 C2 氣門座氣門座圈
12 1830711 C1 6 1830711 C1 氣門座氣門座圈
(12) 1830712 C1 6 1830712 C1 氣門座氣門座圈
(12) 1830713 C1 6 1830713 C1 氣門座氣門座圈
13 1842913 C1 6 1842913 C1 進氣門
14 1842912 C1 6 1842912 C1 排氣氣門
15 1824680 C1 12 1824680 C1 回轉的人
16 677349 C1 1 677349 C1 氣門彈簧
17 1825540 C1 1 1825540 C1 氣門彈簧
18 1823925 C1 12 1823925 C1 密封 - 氣門轉桿
19 1824644 C1 24 1824644 C1 鍵
20 23623 R1 1 23623 R1 栓塞
21 347822 R1 1 347822 R1 栓塞

項目 零配件號碼 最近的部分號碼 描述
11 1821901 C1 1 1821901 C1 氣門座圈
11 1821902 C1 1 1821902 C1 氣門座圈
12 1821904 C3 1 1821904 C3 氣門座圈
12 1821905 C3 1 1821905 C3 氣門座圈

項目 零配件號碼 最近的部分號碼 描述
13 1826471 C2 6 1842913 C1 進氣門
14 1824840 C2 6 1842912 C1 排氣氣門

項目 零配件號碼 最近的部分號碼 描述
1 1829825 C92 1 1829825 C92 燃料岐管
1 1829825 C91 1 1829825 C92 燃料岐管
6 1822577 C1 1 1822577 C1 密合墊 -岐管
7 1817959 C1 12 1817959 C1 公制的螺拴
