約翰迪爾挖掘機前正時齒輪蓋墊片R97454JOHN DEERE4039發動機配件分配器閥
寧波日昕動力科技有限公司建立了一套完整的約翰迪爾挖掘機4039發動機零配件機油泵RE52020、油泵齒輪T20298、機油吸管RE64211拖拉機配件供應體系,全天候快速響應,服務請至電15580888444(微信同號)
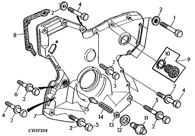
TIMING GEAR COVER, CODE 4499 WITHOUT TACHOMETER DRIVE AND WITHOUT MAGNETIC PICK-UP
COUVERCLE DE DISTRIBUTION, CODE 4499 SANS ENTRAINEMENT DE TACHYMETRE ET SANS CAPTEUR MAGNETIQUE STEUERGEHAEUSE, KODE 4499 OHNE DREHZAHLMESSERANTRIEB UND OHNE MAGNETISCHER IMPULSGEBER COPERCHIO DISTRIBUZIONE, CODICE 4499 SENZA COMANDO TACHIMETRO E SENZA SENSORE MAGNETICO CONTAGIRI TAPA DE LA DISTRIBUCION, CODIGO 4499 SIN MANDO TACOMETRO Y SIN CAPTADOR MAGNETICO
TIDHJULSKAPA, KODEN 4499 UTAN DRIVNING VARMAETRE OCH UTAN MAGNETGIVARE
檢查并調整約翰迪爾發動機氣門間隙(POWERTECH發動機)
按照以下步驟調整發動機氣門間隙,或讓您的授權維修經銷商或發動機分銷商調整發動機氣門間隙。
1.拆下搖臂蓋和曲軸箱通風管。
2.使用JDE83或JDG820飛輪車刀(A),沿運行方向(從水泵上順時針觀察)旋轉發動機飛輪,直到1號活塞(前)達到壓縮沖程上止點(TDC)。將正時銷JDE81-4(B)插入飛輪孔。
3.檢查并調整閥門間隙至規范要求
按照以下程序。
氣門間隙(發動機冷態)-規格
攝入0.35毫米(0.014英寸)
耗盡0.45毫米(0.018英寸)
4、如果閥門需要調整,松開搖臂調整螺釘上的鎖緊螺母。轉動調整螺釘,直到測隙規滑動并產生輕微阻力。用螺絲刀固定調整螺釘,防止其轉動,并將鎖緊螺母擰緊至
27牛頓米(20磅英尺)。擰緊鎖緊螺母后再次檢查間隙。必要時重新調整間隙
重新安裝搖臂蓋和曲軸箱通風管。

約翰迪爾(強鹿) JOHN DEERE青儲機挖機冷卻液加熱密封圈U13639,約翰迪爾(強鹿) JOHN DEERE前橋傳動軸花鍵聯軸器R222832,BOSCH0445110331044511018304451103160445110578,博世正品OE型號5519787555197124717949669318391093190435,BOSCH博世04451105740445110573A6510703187噴油器,約翰迪爾發動機配件H154731三角帶,約翰迪爾發動機配件HXE95935三角帶,約翰迪爾發動機配件RE181544提升器分配器總成,約翰迪爾發動機配件SU34834支架,約翰迪爾發動機配件RE48786RE44508噴油器,約翰迪爾發動機配件RE531436噴油器,BOSCH博世043219161104264634043219161404262585噴油器,思達耐17721密封墊強鹿17721密封墊先達17721密封墊,思達耐31286三通強鹿31286三通先達31286三通,DELPHI德爾福284895622518318525195088噴油器,