卡特彼勒柴油發電機組脈沖寬度調制(PWM)傳感器 - 測試

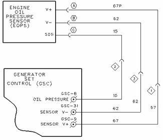
卡特彼勒柴油發電機組機油壓力傳感器(EOPS)的系統示意圖

卡特彼勒柴油發電機組冷卻液缺失傳感器(ECLS)的系統示意圖

卡特彼勒柴油發電機組冷卻液溫度傳感器(ECTS)的系統示意圖

卡特彼勒柴油發電機組機油溫度傳感器(EOTS)的系統示意圖

|
脈沖寬度調制信號 |
除 CID 100、CID 110 和 CID 175 的故障診斷與排除程序外,還提供了本測試。請參閱測試和調整, "診斷代碼的故障診斷與排除"。下面列出了脈沖寬度調制傳感器。
機油壓力傳感器
冷卻液溫度傳感器
機油溫度傳感器
這些 PWM 傳感器產生數字信號。在數字信號內,占空比隨工況的不同而變化。 頻率保持不變。
|
表 1 | ||
|
傳感器技術規格 | ||
|
發動機機油壓力傳感器(EOPS) (1) | ||
|
壓力(kPa)(psi) |
信號(電壓) (2) |
信號(占空比) (2) |
|
0 到 69(0 到 10) |
0.92 到 1.44 |
12.8 到 20.8 |
|
69 到 138(10 到 20) |
1.44 到 1.92 |
20.8 到 28.1 |
|
138 到 207(20 到 30) |
1.92 到 2.40 |
28.1 到 35.4 |
|
207 到 276(30 到 40) |
2.40 到 2.89 |
35.4 到 42.6 |
|
276 到 345(40 到 50) |
2.89 到 3.34 |
42.6 到 49.6 |
|
345 到 414(50 到 60) |
3.34 到 3.89 |
49.6 到 56.6 |
|
414 到 483(60 到 70) |
3.89 到 4.29 |
56.6 到 64.0 |
|
483 到 552(70 到 80) |
4.29 到 4.74 |
64.0 到 70.5 |
|
552 到 621(80 到 90) |
4.74 到 5.25 |
70.5 到 78.1 |
|
621 到 690(90 到 100) |
5.25 到 5.74 |
78.1 到 85.0 |
|
( 1 ) |
卡特彼勒柴油發電機組基礎頻率為 350 到 650 Hz。 |
|
( 2 ) |
卡特彼勒柴油發電機組電壓和電流是故障診斷與排除的準則。 電壓和電流并不精確。 公差為 ±10%。 |
|
表 2 | ||
|
卡特彼勒柴油發電機組傳感器技術規格 | ||
|
發動機冷卻液溫度傳感器(ECTS) (1) | ||
|
溫度(°C)(°F) |
信號(電壓) (2) DCV |
信號(占空比) (2) |
|
−40 到 −29(−40 到 −20) |
1.18 到 1.23 |
10.0 到 10.6 |
|
−29 到 −18(−20 到 0) |
1.23 到 1.30 |
10.6 到 11.6 |
|
−18 到 −7(0 到 20) |
1.30 到 142 |
11.6 到 13.3 |
|
−7 到 4(20 到 40) |
1.42 到 1.63 |
13.3 到 16.2 |
|
4 到 16(40 到 60) |
1.63 到 1.97 |
16.2 到 21.1 |
|
16 到 27(60 到 80) |
1.97 到 2.43 |
21.1 到 27.5 |
|
27 到 38(80 到 100) |
2.43 到 3.00 |
27.5 到 35.6 |
|
38 到 49(100 到 120) |
3.00 到 3.67 |
35.6 到 45.0 |
|
49 到 60(120 到 140) |
3.67 到 4.35 |
45.0 到 54.7 |
|
60 到 71(140 到 160) |
4.35 到 5.00 |
54.7 到 63.9 |
|
71 到 82(160 到 180) |
5.00 到 5.58 |
63.9 到 72.0 |
|
82 到 93(180 到 200) |
5.58 到 6.05 |
72.0 到 78.6 |
|
93 到 104(200 到 220) |
6.05 到 6.42 |
78.6 到 83.8 |
|
104 到 116(220 到 240) |
6.42 到 6.72 |
83.8 到 88.1 |
|
116 到 125(240 到 257) |
6.72 到 6.90 |
88.1 到 90.6 |
|
125 到 135(257 到 275) |
6.90 到 7.05 |
90.6 到 92.7 |
|
( 1 ) |
基礎頻率為 370 到 550 Hz。 |
|
( 2 ) |
電壓和電流是故障診斷與排除的準則。 電壓和電流并不精確。 公差為 ±10%。 |
卡特彼勒柴油發電機組發動機冷卻液溫度傳感器和發動機機油溫度傳感器是相同的 Caterpillar 零件。 兩個傳感器用于不同的應用場合。 發動機冷卻液溫度傳感器和機油溫度傳感器具有相同的技術規格。
測試步驟
|
表 3 | ||
|
所需工具 | ||
|
9U-7330 |
萬用表 |
1 |
|
7X-170 |
萬用表表筆總成 |
1 |
|
146-4080 |
數字萬用表(帶 RS-232 接口) |
1 |
此程序要求測量傳感器信號的頻率和占空比。 利用 9U-7330 數字萬用表 測量頻率和占空比。 要想測量頻率,將旋轉開關轉到交流電壓檔。 然后按 "HZ"按鈕一次。 要想測量占空比,將旋轉開關轉到交流電壓檔后按 "HZ" 按鈕兩次。
注: 6V-7070 數字萬用表不能測量頻率或占空比。 不過,傳感器技術規格表內列出了直流電壓,可以將其作為測量頻率和占空比的備選方法。 6V-7070 數字萬用表可用于測量直流電壓。
執行初步準備工作。
找到懷疑有問題的傳感器。
確定傳感器導線和接頭觸點。 請參閱上述系統示意圖。
此時,不得斷開任何線束接頭。
通過將 7X-1710 萬用表表筆插入線束接頭的背面完成以下測量。
檢查傳感器電源電壓。
將發動機控制開關(ECS)轉到 OFF/RESET(斷開/復位)位置。 隨后將 ECS 轉到 STOP(停機)。
測量傳感器接頭上的傳感器電源電壓。 執行傳感器接頭上觸點 "A" 到觸點 "B" 的測量。
預期結果:電壓應當為 7.5 到 8.5 DCV。
結果:
"正常":電壓為 7.5 到 8.5 DCV。 轉至步驟 4。
不正常:電壓等于蓄電池正極電壓。 在發動機線束內,傳感器電源與蓄電池正極間短路。故障診斷與排除和修理發動機線束。 停止。
不正常:電壓并非 7.5 到 8.5 DCV 并且電壓不等于蓄電池正極電壓。 轉至步驟 3。
檢查診斷代碼的狀態。
觀察 GSC+ 顯示屏。
預期結果:CID 269 診斷代碼處于激活狀態。
結果:
正常:CID 269 診斷代碼處于激活狀態。轉到測試和調整, "診斷代碼的故障診斷與排除"中的程序。停止。
不正常:CID 269 診斷代碼處于非激活狀態。線束出現故障。 故障診斷與排除和修理線束。 停止。
檢查傳感器信號。
ECS 留在 STOP(停機)位置。
測量傳感器接頭上的信號頻率和占空比。 從傳感器接頭的觸點 "C" 到觸點 "B" 執行測量。
記錄測量結果。
預期結果:測量頻率和測量占空比應當與傳感器技術規格表內列出的數值一致。
結果:
正常:測量結果一致。 傳感器正常工作。 轉至步驟 5。
不正常:測量結果不一致。 轉至步驟 7。
檢查 GSC+ 線束接頭上的信號。
測量 GSC+ 線束接頭上的信號頻率和占空比。
對于機油壓力信號來說,測量觸點 8 到觸點 31 的電阻。
對于冷卻液溫度信號來說,測量觸點 7 到觸點 31 的電阻。
對于機油溫度信號來說,測量觸點 14 到觸點 31 的電阻。
預期結果:測量頻率和測量占空比應當與步驟 4 內的測量值一致。
結果:
正常:測量結果一致。 傳感器正常工作。 轉至步驟 6。
不正常:測量結果不一致。 線束有故障。 故障診斷與排除和修理發動機線束。停止。
檢查診斷代碼的狀態。
檢查傳感器診斷代碼是否依然處于激活狀態。
預期結果:傳感器診斷代碼依然處于激活狀態。
結果:
正常:傳感器診斷代碼依然處于激活狀態。 GSC+ 可能出現故障。 GSC+ 不太可能會出現故障。 先退出本程序,然后重新進行本程序。如果故障仍然存在,則更換 GSC+。 請參閱測試和調整, "EMCP 電子控制器(發電機組)- 更換"。停止。
不正常:如果傳感器診斷代碼處于非激活狀態,則檢查接頭和導線。 請參閱測試和調整, "電氣接頭 - 檢查"。停止。
檢查發動機線束。
將發動機線束從傳感器上斷開。
將 GSC+ 從線束上斷開。
檢查線束中有無開路。 正常電路的電阻小于等于 5 歐姆。
檢查信號線是否與蓄電池正極間短路。 檢查信號線是否與接地間短路。 檢查信號線是否與傳感器電源間短路。正常電路的電阻大于 5000 歐姆。
預期結果:對于步驟 7.c 來說,電阻應當小于等于 5 歐姆。 對于步驟 7.d 來說,電阻應當大于 5000 歐姆。
結果:
正常:所有電阻測量值正常。 因此,更換傳感器。 停止。
不正常:一個或多個電阻測量值不正常。 故障診斷與排除和修理發動機線束。停止。
卡特3046柴油機配件,卡特325C節溫器1265869,卡特CAT油機零配件,卡特彼勒CAT柴油機配件,卡特彼勒3508空氣濾器,CAT裝載機988H配件,CAT推土機D8H配件,CAT裝載機988B配件,卡特彼勒皮帶3L9489