如何保養Perkins1000/4/6缸柴油發動機呼吸器系統
注意:安裝在Perkins1000/4/6缸呼吸器上的蓋使用的材料更改為更硬的塑料。因此,保養步驟和保養周期也有所更改。
另外,零件號也從4133J005更改為4133J008。零件號標記在最新的機油分離器的蓋的頂部。請勿試圖拆下
機油分離器的蓋,因為這會導致其損壞。每次發動機大修或8000小時時,應更換整個機油分離器。
一些發動機裝配有開路呼吸器,其內裝有鋼絲網(A2),用來在曲軸箱氣體離開發動機前,從中將機油分離出
來。
注:無需從Perkins1000/4/6缸搖臂蓋上拆下呼吸器的主體來獲得到鋼絲網的入口。
1松開Perkins1000/4/6缸呼吸器蓋(A1)的軟管卡子
2在出口噴嘴和搖臂蓋之間使用合適的桿以便從呼吸器(A4)的主體上拆下呼吸器蓋。確保呼吸器蓋和搖臂蓋
沒有損壞。
3使用浸有專屬清洗劑的抹布清潔呼吸器主體。
4更換O形密封圈(A3)。
5檢查呼吸器管的內側是否清潔。如果管沒有清潔,松開固定螺釘并拆下管。用煤油清洗管,并用低壓空氣
進行干燥。
6用煤油清洗鋼絲網(A2),并用低壓空氣進行干燥。
7將蓋安裝到呼吸器主體上,確保已牢固安裝好。
8安裝Perkins1000/4/6缸呼吸器管并擰緊軟管卡子。

如何保養Perkins1000/4/6缸閉路呼吸器系統
注意:將閉路呼吸器系統正確安裝在發動機上,這點很重要。不正確的安裝將導致發動機嚴重損壞。
下面是一系列必須始終遵照的安全預防措施。
如果有任一呼吸器閥或進氣軟管松開或斷開,請勿運轉發動機,因為這會導致臟物進入發動機從而導致發
動機損壞。
如果有任一呼吸器閥或進氣軟管彎曲到會引起流過的氣體堵塞,請勿運轉發動機。這會導致機油通過呼吸
器閥進入氣缸。
請勿改變閉路呼吸器系統的設計或任一設置。
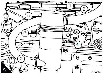
確保維修時排氣孔(A1)未堵塞。
用于新1000系列發動機的閉路呼吸器由主體(A4)和閥組件(A5)組成。每次完成發動機大修或8000小時
時,必須更換整個組件。
更換發動機呼吸器組件
1松開三個軟管卡子(A2)并拆下軟管。
2松開兩個固定螺釘(A3)并拆下呼吸器組件。
3用專屬清洗劑清洗管的內側并進行干燥。
4安裝新的呼吸器組件。安裝并擰緊兩個固定螺釘。在呼吸器上安裝三根軟管到正確位置,并擰緊三根軟管
的卡子。
