Perkins1103/1104柴油發動機燃油噴油泵-拆卸
(DelphiDP210)
Perkins1103/1104柴油發動機拆卸方法與步驟

a.拆下噴油管。請參閱本《Perkins1103/1104柴油發動機解體和組裝手冊》,“噴油管-拆卸”。
b.拆下曲軸皮帶輪。請參閱本《Perkins1103/1104柴油發動機解體和組裝手冊》,“曲軸皮帶輪-拆卸和安裝”。
c.卸下殼體(前)蓋。請參閱本《Perkins1103/1104柴油發動機解體和組裝手冊》,“殼體(前)蓋-拆卸和安裝”。
注:四缸和Perkins三缸發動機的拆卸方法與步驟相似。圖示為Perkins四缸發動機。
注意:保持所有零件清潔無雜質。雜質會造成快速磨損和縮短部件壽命。
1.確保1號汽缸在其壓縮沖程的上止點位置。請參閱《Perkins1103/1104柴油發動機測試和調整手冊》,“確定1號活塞的上止點位置”。

2.松開鎖緊螺釘(5)。轉動隔套(6),以便將鎖緊螺釘(5)擰緊抵到噴油泵的軸上。逆時針方向轉動噴油泵齒輪來消除齒隙。將鎖緊螺釘(5)擰緊至扭矩17N·m(13lbft)。
注:必須擰緊螺釘(5),以防噴油泵的軸發生轉動。從發動機上卸下噴油泵后不能使噴油泵的軸轉動。
注:為了便于安裝,請在所有軟管組件和管組件上作識別標記。斷開后,用合適的塑料塞堵住所有燃油軟管組件和所有管組件。還要在噴油泵的所有接頭上安裝防塵蓋。這將有助于防止液體泄漏和有助于防止污染物進入系統。
3.斷開燃油回油管(1)。從噴油泵上卸下管組件(4)。
4.斷開燃油管(3)。
5.從提前正時電磁閥(7)上斷開線束組件(2)。

Perkins1103/1104柴油發動機典型示例
6.從燃油噴油泵軸上折下螺母(8)和墊圈。
7.使用適當的拉拔器拆卸燃油噴油泵齒輪(9)。
注:不要從噴油泵軸上撬噴油泵齒輪(9)。

Perkins1103/1104柴油發動機典型示例
注:僅在噴油泵裝有支架(11)時需要進行接下來的兩步。
8.拆下螺母(14)。拆下螺栓(12)。
9.如有必要,從缸體上拆卸調整螺釘(15)和支架(11)。
10.拆卸調整螺釘(13)以拆卸噴油泵。
11.從殼體(前)上卸下噴油泵。從燃油噴油泵上拆卸O形圈(10)并棄置O形圈。
Perkins1103/1104柴油發動機燃油噴油泵-拆卸
Perkins1103/1104柴油發動機燃油噴油泵拆卸方法與步驟
a.拆下噴油管。請參閱本《Perkins1103/1104柴油發動機解體和組裝手冊》,“噴油管-拆卸”。
b.拆下Perkins曲軸皮帶輪。請參閱本《Perkins1103/1104柴油發動機解體和組裝手冊》,“曲軸皮帶輪-拆卸和安裝”。
c.卸下殼體(前)蓋。請參閱本《Perkins1103/1104柴油發動機解體和組裝手冊》,“殼體(前)蓋-拆卸和安裝”。
1.確保1號汽缸在其壓縮沖程的上止點位置。請參閱《Perkins1103/1104柴油發動機測試和調整手冊》,“確定1號活塞的上止點位置”。

2.松開鎖緊螺釘(1)。轉動隔套(2),以便將鎖緊螺釘(1)擰緊抵到噴油泵的軸上。逆時針方向轉動噴油泵齒輪來消除齒隙。將鎖緊螺釘(1)擰緊至扭矩13N·m(9.6lbft)。
注:必須擰緊螺釘(1),以防Perkins噴油泵的軸發生轉動。從發動機上卸下噴油泵后不能使噴油泵的軸轉動。
注:為了便于安裝,請在所有軟管組件和管組件上作識別標記。斷開后,用合適的塑料塞堵住所有燃油軟管組件和所有管組件還要在噴油泵的所有接頭上安裝防塵蓋。這將有助于防止液體泄漏和有助于防止污染物進入系統。

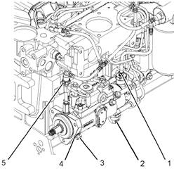
3.斷開Perkins燃油回油管(3)。
4.斷開Perkins燃油管(5)。
5.從提前正時電磁閥(6)上斷開線束組件(4)。

典型示例
6.從Perkins燃油噴油泵軸上折下螺母(7)和墊圈。
7.使用適當的拉拔器拆卸Perkins燃油噴油泵齒輪(8)。
注:不要從噴油泵軸上撬噴油泵齒輪(9)。

8.拆下螺母(10)。拆下螺栓(13)。
9.如有必要,從缸體上拆卸調整螺釘(14)和支架(11)。
10.拆卸調整螺釘(14)以拆卸Perkins噴油泵。
11.從殼體(前)上卸下噴油泵。從燃油噴油泵上拆卸O形圈(9)并棄置O形圈。
燃油噴油泵-拆卸(DelphiDPG)
拆卸方法與步驟
a.拆下噴油管。請參閱本《Perkins1103/1104柴油發動機解體和組裝手冊》,“噴油管-拆卸”。
b.拆下曲軸皮帶輪。請參閱本《Perkins1103/1104柴油發動機解體和組裝手冊》,“曲軸皮帶輪-拆卸和安裝”。
c.卸下殼體(前)蓋。請參閱本《Perkins1103/1104柴油發動機解體和組裝手冊》,“殼體(前)蓋-拆卸和安裝”。
1.確保1號汽缸在其壓縮沖程的上止點位置。請參閱《測試和調手冊》,“確定1號活塞的上止點位置”。

2.松開鎖緊螺釘(3)。轉動隔套(4),以便將鎖緊螺釘(3)擰緊抵到噴油泵的軸上。逆時針方向轉動噴油泵齒輪來消除齒隙。將鎖緊螺釘(3)擰緊至扭矩13N·m(9.6lbft)。
注:必須擰緊螺釘(3),以防噴油泵的軸發生轉動。從Perkins發動機上卸下噴油泵后不能使噴油泵的軸轉動。
注:為了便于安裝,請在所有軟管組件和管組件上作識別標記。斷開后,用合適的塑料塞堵住所有燃油軟管組件和所有管組件。還要在噴油泵的所有接頭上安裝防塵蓋。這將有助于防止液體泄漏和有助于防止污染物進入系統。
3.斷開燃油回油管(5)。
4.斷開燃油管(1)。
5.從Perkins燃油切斷電磁閥(2)上斷開線束組件。

6.從Perkins燃油噴油泵軸上折下螺母(6)和墊圈。
7.使用適當的拉拔器拆卸燃油噴油泵齒輪(7)。
注:不要從噴油泵軸上撬噴油泵齒輪(7)。

8.拆卸調整螺釘(8)以拆卸噴油泵。
9.從殼體(前)上卸下噴油泵。從燃油噴油泵上拆卸O形圈(9)并棄置O形圈。