
康明斯重載和大馬力發動機預潤滑裝置操作和部件功能
康明斯 C ummins® 預潤滑起動馬達通過車輛鑰匙開關或起動馬達按鈕啟動。轉動并保持鑰匙開關在 START(起動)位置即向預潤滑電磁閥定時器供電,使預潤滑起動馬達通電并預潤滑發動機。電磁閥定時器可防止電流流向傳統起動馬達電磁閥,直到康明斯凸輪軸機油油道中獲得機油壓力。在隨后 2 至 3 秒延遲后,電流直接到達車輛的起動馬達拖動發動機。
發動機拖動和起動時潤滑充足,從而保護發動機軸承和其它部件。
康明斯安裝指南

康明斯電動機和泵總成 (A)
C ummins® 預潤滑系統的改型安裝一般需要 2 至 6 小時。如果發動機有兩個起動馬達,對于整體系統,預潤滑起動馬達安裝在下部起動馬達安裝孔內。如果發動機只有一個起動馬達,PRELUB™ 起動馬達將替代傳統的起動馬達。遠程系統需要一個附加支架用于安裝預潤滑馬達,安裝位置不高于飛輪殼體內的下部起動馬達孔,與油底殼內吸油孔的距離不超過 1270 mm [50 in]。對于遠程安裝,該裝置不要安裝在曲軸中心線下方高過 85 mm [3.35 in] 的位置。

康明斯吸油管 (D)
大型吸油軟管將油底殼集油槽與預潤滑泵相連接。為了實現這個目的,在新 K38 和 K50 油底殼上增加一個附加端口。改型安裝時使用離泵最近的機油加熱器端口。絕不要利用機油排油端口進行改型安裝。吸油軟管長度不應超過 1422 mm [56 in] 長。軟管需要使用卡箍,以避免磨損和過大的振動。

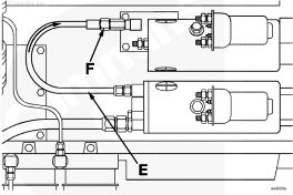
出油管 (E) 和單向閥 (F)
機油壓力軟管長度不重要,但必須連接至潤滑系統的未過濾機油側。
在泵和發動機之間的機油壓力軟管上安裝單向閥。機油通過該閥流向發動機。單向閥可以防止發動機起動后機油倒流。

康明斯壓力開關 ( C )
包括 17 或者 28kPa [2.5 或 4.0-psi] 開關(常閉)。此開關必須安裝在能夠感應在機油通過全流式機油濾清器后的機油壓力的位置。一般位置是機油濾清器座(外側),缸體后部凸輪軸罩,或者缸體側面。

康明斯定時器電磁閥 (B)
|
定時器電磁閥箱安裝時必須使電磁閥箱水平并且電磁閥箱的水平軸與曲軸中心線成 90 度。水平安裝電磁閥箱將減小被意外觸發的風險,這種意外觸發是由于在粗糙地形上而產生的振動負載(上下運動)造成的。與曲軸中心線成 90 度安裝可以減小開關因快速起動和停止影響而觸發的危險。此外, 此裝置不要安裝在發動機上,或者接近排氣部件。 |
|
不要通過電磁閥連接跨接導線。通過電磁閥接線能導致電磁閥故障。 |
定時器電磁閥控制預潤滑循環。電流通過鑰匙開關提供給定時器。當壓力在 17 或 28kPa [2.5 或 4.0-psi] 時常閉壓力開關打開,接地路線導通。開關打開時,在 2 至 3 秒延遲后,電流改變方向流入車輛電磁閥,以便拖動發動機。這個設備要裝在發動機外,以限制振動和熱量暴露。需要選擇底盤上一個位置,以方便今后接近,而且沒有過多熱量暴露和機械損壞。每一個起動循環定時器將工作。絕不要安裝一個旁通開關;它將使系統不受控制。

圖 3,康明斯整體式單起動馬達系統
導線線束
每個 C ummins® 預潤滑系統提供一個導線線束。接線示意圖說明了整體式單起動馬達系統、整體式雙起動馬達系統和遠程系統。
無法為 V28/KV/QSK 系列發動機提供足夠的拖動力。

圖 4,康明斯遠程起動馬達系統
發動機特定安裝和應用指南
下列信息包括關于 L10/M11/N14/K19/QSK19/QST30/V28 發動機預潤滑裝置的使用和應用中與 K38/K50/QSK45/QSK60/QSK78 發動機不同的具體細節。除非下面另有說明,采用本公告中第 I 節至第 IV 節中包含的內容。
主要的差別在于:
機油壓力開關設定為 28 kPa [4.0 psi],而不是17 kPa [2.5 psi]。
吸油軟管直徑為 16 號,而不是 20 號。
零件分銷中心 (PD C ) 零件號與柴油發動機 Re C on® 零件號不同。參考前面的表格。
壓力開關的位置和用于泵的吸油和壓力軟管的管路附件的位置不相同。參考以下幾頁。
只有 L10/M11/N14/K19/QSK19/QST30/V28 發動機需要一個起動馬達。參考單起動馬達電氣接線圖。
|
警告 蓄電池可能會有易爆性氣體逸出。為了盡可能避免人身傷害,在維護蓄電池前,必須保持發動機艙通風良好。為避免產生電弧,應最先拆下并最后連接蓄電池負極 (-) 電纜。 |

斷開蓄電池。
L10/M11/N14 整體式 PRELUB™ 起動馬達,拆卸起動馬達 (1) 的電氣接頭 (3), 并標識它們的位置。拆下 3 顆螺栓 (2) 和現有的起動馬達 (1)。保留螺栓。

使用上述拆卸的螺栓安裝 PRELUB™ 起動馬達。參考相應的故障判斷和排除手冊中正確的扭矩值。
康明斯L10/M11/N14 遠程 PRELUB™ 泵,如果使用遠程泵,起動馬達不必拆卸或改裝。遠程泵可以安裝在發動機部件任一側機架的任何一個適當位置。
|
美國的一些州和聯邦機構已經認定使用過的機油有致癌作用,而且能產生生殖疾病。應避免吸入機油蒸汽、誤吞以及長時間接觸用過的機油。如果不再繼續使用,應按照當地環保法規進行處理。 |
|
為了減小人身傷害的可能性,應避免皮膚直接接觸熱機油。 |
從油底殼底部拆下放油螺塞。絕不要拆下油底殼任一側的放油螺塞排放機油。這將無法使機油完全排空。

如果換油吸油裝置固定在油底殼的起動馬達側的側面排油出口 (2) 上,則必須將其移動到另一側的排油口 (3)。

使用管道組件提供的空心管接頭連接吸油軟管到油底殼回油側。

把一個銅密封墊圈 (1) 放在空心螺栓上 (2)。把空心螺栓插到空心管接頭內 (3)。將其他銅密封墊圈 (1) 放到空心螺栓/空心管接頭總成中。將空心螺栓/空心管接頭總成插入到油底殼 (5) 的回油側 (4)。扭矩值: 88 n.m [65 ft-lb]
|
定時器電磁閥箱安裝時必須使電磁閥箱水平并且電磁閥箱的水平軸與曲軸中心線成 90 度。水平安裝電磁閥箱將減小被意外觸發的風險,這種意外觸發是由于在粗糙地形上而產生的振動負載(上下運動)造成的。與曲軸中心線成 90 度安裝可以減小開關因快速起動和停止影響而觸發的危險。此外, 此裝置不要安裝在發動機上,或者接近排氣部件。 |
在隔火墻上的適當位置安裝 PRELUB™ 定時器電磁閥。

拆下直接位于起動馬達上方主油道的接頭螺塞。在主油道接頭中安裝壓力開關。連接導線線束中粉紅色導線 (1) 到壓力開關 (2)。

從起動馬達繼電器 (2) 拆下接到起動馬達開關 (6) 的導線 (1)。切斷接頭。將此導線 (1) 與 PRELUB™ 導線線束 (4) 中的白色導線 (5) 對接。連接橙色導線 (3) 和起動馬達繼電器端子,1 號導線已從該端子上拆下。
整體式 PRELUB™ 起動馬達導線,如果舊起動馬達安裝了電氣切斷電路,切斷導線線束接頭,將導線對接在一起。根據電氣接線圖安裝 PRELUB™ 起動馬達導線。

將導線線束接頭 (3) 連接至 PRELUB™ 定時器電磁閥接頭 (5) 上。連接紅色導線 (4) 和紫色導線 (2) 到定時器電磁閥端子 (1)。

將導線線束接頭 (3) 連接至 PRELUB™ 定時器電磁閥接頭 (5) 上。連接紅色導線(4)和紫色導線(2)到定時器電磁閥端子(1)。
遠程 PRELUB™ 泵導線,連接紅色導線 (1) 和起動馬達端子。連接橙色導線 (2) 到一個 12VD C 或者 24VD C 蓄電池接頭。

連接導線線束 (3) 到定時器電磁閥接頭 (4)。連接紅色導線 (20) 和橙色導線 (4) 到定時器電磁閥端子 (1)。